电流采样电阻/分流器 元器件百科 电流采样电阻/分流器:电流采样电阻和分流器是用于测量和控制电路中电流的关键元件。基本功能:电流采样电阻用于测量电路中的电流,通过在电阻上产生的电压降来计算电流大小。分流器则是一种特殊的电流采样电阻,用于在不中断电路的情况下测量大电流。物理特性:电流采样电阻和分流器通常具有较小的尺寸和低阻值,以减少对电路的影响。它们通常由高导电材料制成,如锰铜合金。电气特性:电气特性包括工作电压、电流消耗、阻抗等。 芯城品牌采购网 2025-11-06 27497 电流电阻分流器
可调电阻/电位器 元器件百科 可调电阻/电位器:可调电阻,也称为电位器,是一种可以手动或自动调节电阻值的电子元件。基本功能:电位器的主要功能是作为可变电阻,用于调节电路中的电压或电流。它们常用于音量控制、信号调制、电压分压等。物理特性:电位器的物理特性包括尺寸、重量、形状以及材料。常见的封装类型有DIP电位器封装、插件电位器封装、贴片SMD电位器封装。电气特性:电气特性涉及工作电压、电流消耗、阻抗等。电位器的分辨力、符合度、机 芯城品牌采购网 2025-11-06 34462 电阻电位器
排阻(网络阵列电阻) 元器件百科 排阻(网络阵列电阻):排阻,也称为网络阵列电阻,是一种集成多个电阻的电子元件,通常用于简化PCB设计、安装方便、保证SMT焊接质量、减小成套设备的体积。基本功能:排阻的主要功能是提供一组具有相同阻值的电阻,通常用于数字电路中,如作为并行口的上拉或下拉电阻。物理特性:排阻的物理特性包括尺寸、重量和形状,这些特性影响其在电路板上的布局和散热。电气特性:电气特性涉及工作电压、电流消耗、阻抗等。技术规格: 芯城品牌采购网 2025-11-06 32813 排阻网络电阻
贴片电阻 元器件百科 贴片电阻(Surface-MountDeviceResistor,简称SMDResistor)是一种表面贴装技术(SurfaceMountTechnology,简称SMT)使用的电阻元件,广泛应用于现代电子电路中。基本功能:贴片电阻的主要功能是限制电流和分配电压。它们在电路中起到关键作用,如稳定信号、防止过载和降低噪声。物理特性:贴片电阻通常具有较小的体积,这使得它们能够节省电路板空间并提高安装密 芯城品牌采购网 2025-11-06 34497 贴片电阻
插件电阻 元器件百科 插件电阻(Through-HoleResistor)是一种传统的电阻元件,广泛应用于各种电子电路中。基本功能:插件电阻的主要功能是限制电流和分配电压。它们在电路中起到关键作用,如稳定信号、防止过载和降低噪声。物理特性:插件电阻通常具有较大的体积,这使得它们能够承受更高的功率。它们的引脚设计允许它们通过电路板的孔插入并焊接在板的另一侧。电气特性:电气特性包括工作电压、电流消耗、阻抗等。插件电阻的功率 芯城品牌采购网 2025-11-06 24962 插件电阻
贴片可调电容 元器件百科 贴片可调电容结构贴片可调电容的结构主要由两个电极板和一个可调电介质层组成。电介质层通常由可调材料制成,例如铁电材料、压电材料或可变介电材料。电极板可以是金属片或导电材料涂层。电介质层位于电极板之间,形成一个平行板电容器结构。贴片可调电容优缺点贴片可调电容具有以下优点:1、体积小,重量轻,适合于高密度电路板的应用;2、调节范围广,可以在一定范围内连续调节电容值;3、稳定性好,具有良好的温度稳定性和频 芯城品牌采购网 2025-11-04 28134 贴片电容
碳化硅三极管 元器件百科 碳化硅三极管基本结构碳化硅三极管的基本结构包括P型掺杂区、N型掺杂区和N型掺杂区。P型掺杂区和N型掺杂区之间的结构形成了PN结,起到了一个整流作用。P型掺杂区与N型掺杂区之间的结构形成了一个二极管。N型掺杂区与N型掺杂区之间的结构形成了NPN型的三极管。整个结构被封装在一个金属外壳中,以保护器件免受外界环境的影响。碳化硅三极管优缺点碳化硅三极管相比传统的硅材料制成的三极管具有以下优点:1、高温特性 芯城品牌采购网 2025-11-04 32756 碳化硅三极管
时钟芯片 元器件百科 时钟芯片组成时钟芯片由振荡器、分频器和计数器等多个功能模块组成。振荡器用于产生基础时钟信号,分频器用于将基础时钟信号分频得到不同频率的时钟信号,计数器用于计算时钟信号的脉冲数量。时钟芯片还包含时钟缓冲器、时钟选择器和时钟分配器等辅助模块,用于提供稳定的时钟信号和将时钟信号分配给不同的模块。时钟芯片特点时钟芯片的特点有以下几个方面:1、稳定性:时钟芯片采用高精度的振荡器和稳定的时钟源,能够提供稳定的 芯城品牌采购网 2025-11-04 32601 时钟芯片
MOS管 元器件百科 MOS管特点1、高输入阻抗:MOS管的输入电阻非常高,因此可以减小输入信号源的功耗。2、低输出阻抗:MOS管的输出电阻非常低,可以提供较大的输出电流。3、低功耗:MOS管的静态功耗非常低,几乎不需要电流输入。4、高速度:MOS管的开关速度非常快,可以实现高频率的开关操作。5、可控性强:MOS管的导通和截止可以通过控制栅极电压来实现,具有很好的可控性。MOS管工作原理MOS管主要由源极(Source 芯城品牌采购网 2025-11-04 28460 MOS
LED驱动器 元器件百科 LED驱动器作用电流稳定:LED需要稳定的电流来工作,LED驱动器能够提供恒定的电流以确保LED的稳定亮度和长寿命。电压转换:LED驱动器能够将输入电源的电压转换为LED所需的电压,因为LED通常需要较低的电压来工作。调光功能:一些LED驱动器具有调光功能,可以根据需要调整LED的亮度,这对于节能和环境调节非常有用。保护功能:LED驱动器通常包括过压保护、过流保护和过热保护等功能,以确保LED和驱 芯城品牌采购网 2025-11-04 31293 LED驱动器
ESD防护器 元器件百科 ESD防护器组成1、地线:用于将人体的静电电荷导入地面,防止电荷累积。2、静电消除器:通过将静电电荷中和,减少电荷积累和释放的可能性。3、静电屏蔽包装:用于包装和运输容易受到静电影响的物品,防止静电放电。ESD防护器特点1、高效性:能够有效地防止静电放电,保护物品免受损害。2、安全性:能够保护使用者免受静电放电的伤害。3、易于使用:操作简单,使用方便。4、经济性:相对较低的成本,适用于大规模应用。 芯城品牌采购网 2025-11-04 22748 ESD防护器
去耦电容 元器件百科 去耦电容基本结构去耦电容通常由两个导体板之间夹有一层绝缘材料而构成。导体板可以是金属箔或金属涂层,用于提供电流的导电路径。绝缘材料可以是聚乙烯、聚酰亚胺或陶瓷等。导体板和绝缘材料的堆叠形成了电容的结构。去耦电容工作原理去耦电容的工作原理基于电容器的基本原理,即通过两个导体之间的电场来存储电荷。当电荷在电源线上发生波动或噪声时,去耦电容会吸收这些变化的电荷,从而保持电源电压的稳定性。当电源电压下降时 芯城品牌采购网 2025-11-04 26242 电容
开关二极管 元器件百科 开关二极管基本结构开关二极管由两个半导体材料构成,一个是P型半导体,另一个是N型半导体。其中,P型半导体中的杂质含有正电荷,称为空穴,N型半导体中的杂质含有负电荷,称为电子。两种半导体材料通过PN结结合在一起,形成了开关二极管的基本结构。开关二极管特点1、快速开关速度:开关二极管的开关速度非常快,能够在纳秒级别内完成开关操作。2、低开关损耗:由于开关二极管没有发射极,其开关损耗较小,能够有效降低能 芯城品牌采购网 2025-11-04 29886 二极管
石英晶体谐振器 元器件百科 石英晶体谐振器基本结构石英晶体谐振器的基本结构包括石英晶片、电极和封装。石英晶片是石英晶体谐振器的核心部分,一般采用石英晶体材料制成,具有稳定的物理和化学性质。电极是用于激励石英晶片振动的部分,一般采用金属材料制成,常用的有铝、银等。封装是将石英晶片和电极封装在一个外壳中,保护晶片不受外界环境的影响。石英晶体谐振器工作原理石英晶体谐振器的工作原理基于石英晶体的压电效应和谐振现象。石英晶体在加上外加 芯城品牌采购网 2025-11-04 31684 石英晶体谐振器
中继器 元器件百科 中继器基本结构中继器通常由一个或多个输入端口和一个或多个输出端口组成。它的主要组成部分包括信号接收器、放大器和信号发送器。信号接收器负责接收输入端口的信号,并将其放大。放大器将信号放大到足够的强度,以便可以重新发送。信号发送器负责将放大后的信号发送到输出端口。中继器优缺点中继器的优点包括:1、增强信号传输距离:中继器可以将信号传输的距离扩展到原本无法到达的地方。2、改善信号质量:中继器可以消除信号 芯城品牌采购网 2025-11-04 24290 中继器
电容传感器 元器件百科 电容传感器组成电容传感器主要由电容传感元件和信号处理电路两部分组成。电容传感元件一般由两个导体平行板和介质组成,当介质的性质或者两个平行板的距离发生变化时,电容值会相应发生变化。信号处理电路通常由放大电路、滤波电路、AD转换电路等组成,用于将电容变化转化为电压、电流等输出信号。电容传感器特点1、灵敏度高:电容传感器能够对微小的电容变化做出响应,具有较高的灵敏度。2、响应速度快:电容传感器具有快速的 芯城品牌采购网 2025-11-04 26186 电容传感器
USB转换器 元器件百科 USB转换器组成USB转换器的组成主要包括USB接口、AD603ARZ转换芯片、电路板和外壳等部分。1、USB接口:USB转换器的主要接口是USB接口,用于连接USB设备。2、转换芯片:转换芯片是USB转换器的核心部件,用于处理信号转换和数据传输。不同类型的USB转换器会采用不同的转换芯片,例如USB到串口转换器会使用串口转换芯片,USB到网口转换器会使用网口转换芯片。3、电路板:电路板是USB转 芯城品牌采购网 2025-11-04 30605 USB转换器
RF接收器 元器件百科 RF接收器组成它通常由天线、射频前端、中频处理部分和解调器等组成。1、天线:用于接收射频信号,并将其转换成电信号。2、射频前端:负责对接收到的射频信号进行放大、滤波和混频等处理,以提高信号的质量和可靠性。3、中频处理部分:对射频信号进行中频放大、滤波和解调等处理,以使信号能够被后续的解调器正确解码。4、解调器:将中频处理后的信号进行解调,将其转换成原始的信息信号。RF接收器特点1、高频段:RF接收 芯城品牌采购网 2025-11-04 28817 RF接收器
硅光电二极管 元器件百科 硅光电二极管基本结构硅光电二极管的基本结构包括P型硅区域、N型硅区域和PN结。P型硅区域富含正电荷载流子,N型硅区域富含负电荷载流子。PN结是P型和N型材料的接触面,形成一个电势垒。当光照射到PN结时,光能被吸收,产生电子-空穴对,进而产生电流。硅光电二极管特点1、高灵敏度:硅光电二极管对光信号非常敏感,能够接收到比人眼还要微弱的光信号。2、宽波长范围:硅光电二极管能够接收到可见光和近红外光,波长 芯城品牌采购网 2025-11-04 33826 硅光电二极管
多谐振荡器 元器件百科 多谐振荡器基本结构多谐振荡器的基本结构由两个互相耦合的放大器组成,每个放大器都具有正反馈回路。两个放大器之间的耦合可以通过电容、电感或变压器实现。常见的多谐振荡器电路有交叉耦合式多谐振荡器、RC耦合式多谐振荡器和变压器耦合式多谐振荡器等。多谐振荡器特点1、多频率输出:多谐振荡器能够同时输出多个频率的振荡信号,可以满足多种频率要求的应用。2、稳定性好:多谐振荡器在输出多个频率时能够保持其频率的稳定性 芯城品牌采购网 2025-11-04 27874 振荡器
频谱芯片 元器件百科 频谱芯片组成频谱芯片的组成主要包括射频前端、中频处理、基带处理和数字信号处理等模块。射频前端模块负责接收和放大射频信号,中频处理模块将射频信号转换为中频信号进行进一步处理,基带处理模块对中频信号进行滤波、解调和解码处理,数字信号处理模块将解码后的信号进行数字信号处理和分析。频谱芯片特点1、高集成度:频谱芯片集成了多个功能模块,能够实现多种频谱分析和处理功能,减小了系统体积和功耗。2、高灵敏度:频谱 芯城品牌采购网 2025-11-04 24517 频谱芯片
触发二极管 元器件百科 触发二极管基本结构触发二极管是由三层半导体材料构成的,其中夹在中间的P型半导体层被称为触发层(TriggerLayer),两侧的N型半导体层被称为主区。触发二极管的结构与普通二极管相似,但触发层的掺杂浓度较低,导致该区域的电阻较高。触发二极管特点1、放大能力:触发二极管可以放大输入信号,实现信号的放大。2、可控性:通过基区的电流控制,可以控制集电区的电流,实现信号的控制。3、高频特性:触发二极管具 芯城品牌采购网 2025-11-04 30944 二极管
LLC谐振变换器 元器件百科 LLC谐振变换器组成LLC谐振变换器由三个主要部分组成:SN7406DR输入滤波器、变换器和输出滤波器。1、输入滤波器:用于将输入的交流电源的脉动电压进行滤波,保证输入电流的稳定性,减小对电网的电磁干扰。2、变换器:由LLC谐振电路组成,主要包括电容、电感和开关器件。其中,电容和电感构成谐振电路,开关器件用于控制电容和电感之间的连接和断开,实现能量的转换和调节。3、输出滤波器:用于滤除变换器输出的 芯城品牌采购网 2025-11-04 27614 LLC谐振变换器
PIN光电二极管 元器件百科 PIN光电二极管结构PIN光电二极管由三个区域组成:P型半导体、固有层(I区)和N型半导体。通常情况下,P型和N型半导体是高掺杂的,而固有层则是低掺杂的。三个区域形成了一个PN结,固有层是一个在两个掺杂层之间的非掺杂层。PIN光电二极管工作原理PIN光电二极管的工作原理是利用内建电场增强光电转换效果。当光照射到PIN光电二极管的N型半导体区域时,光子会激发电子从价带跃迁到导带,产生电流。由于内建电 芯城品牌采购网 2025-11-04 31622 PIN光电二极管
触发器寄存器 元器件百科 触发器寄存器基本结构触发器寄存器通常由多个触发器组成,这些触发器可以是D触发器、JK触发器或其他类型的触发器。每个触发器都有一个输入端和一个输出端,用于接收和传输数据。触发器之间通过控制线连接,以实现数据的传输和控制。触发器寄存器还包括一个时钟输入端和一个复位输入端,用于同步数据的读写和控制寄存器的状态。触发器寄存器功能1、存储数据:触发器寄存器可以存储一组二进制位的数据,这些数据可以是任意的数字 芯城品牌采购网 2025-11-04 30960 触发器寄存器
电力晶体管 元器件百科 电力晶体管基本结构电力晶体管由三个不同掺杂的P型和N型半导体材料构成,分别是发射极(Emitter)、基极(Base)和集电极(Collector)。其中,发射极和基极之间是PN结,基极和集电极之间是PNP结。发射极和基极之间形成一个PN结的结电容,被称为发射结电容(Ces),基极和集电极之间形成一个PNP结的结电容,被称为集电结电容(Ccs)。电力晶体管特点1、高功率:电力晶体管能承受较大的功率 芯城品牌采购网 2025-11-04 29048 电力晶体管
贴片钽电容 元器件百科 贴片钽电容基本结构贴片钽电容的基本结构包括阳极、绝缘层、电解质、阴极等部分。阳极由纯钽制成,绝缘层通常由氧化铝形成,电解质通常是液体或固体,阴极由导电聚合物形成。贴片钽电容通常采用矩形形状,焊接在电路板上。贴片钽电容工作原理贴片钽电容的工作原理是利用钽金属与电解质之间的电荷存储效应。当外加电压施加在钽电容上时,正极电极上的钽金属会吸引正电荷,负极电极上的阴极则会释放相同数量的电荷。这样,钽电容就能 芯城品牌采购网 2025-11-04 34149 贴片电容
高频三极管 元器件百科 高频三极管组成高频三极管由三个主要部分组成:发射极(Emitter)、基极(Base)和集电极(Collector)。这三个部分是通过在半导体材料(通常是硅或锗)中掺杂不同类型的杂质而形成的。根据掺杂类型的不同,三极管可以分为NPN型和PNP型。高频三极管特点1、高频响应:高频三极管能够在高达几GHz的频率下工作。2、小尺寸:为了减小寄生电容和提高频率响应,高频三极管通常比低频三极管小。3、低噪声 芯城品牌采购网 2025-11-04 28174 三极管
NPN型晶体管 元器件百科 NPN型晶体管基本结构NPN型晶体管的基本结构由三个掺杂不同材料的半导体层构成,分别是P型半导体、N型半导体和P型半导体。其中N型半导体层被夹在两个P型半导体层之间。这三个半导体层按照一定的方式相互连接,形成了两个PN结。其中一个PN结称为发射结,另一个PN结称为集电结。发射结连接到NPN晶体管的发射极,集电结连接到NPN晶体管的集电极,而晶体管的基极连接到两个半导体材料之间。NPN型晶体管特点1 芯城品牌采购网 2025-11-04 29942 NPN晶体管
IGBT模块 元器件百科 IGBT模块选择IGBT模块的电压规格与所使用装置的输入电源即试电电源电压紧密相关。其相互关系见下表。使用中当IGBT模块集电极电流增大时,所产生的额定损耗亦变大。同时,开关损耗增大,使原件发热加剧,因此,选用IGBT模块时额定电流应大于负载电流。特别是用作高频开关时,由于开关损耗增大,发热加剧,选用时应该降等使用。IGBT模块使用由于IGBT模块为MOSFET结构,IGBT的栅极通过一层氧化膜与 芯城品牌采购网 2025-11-04 25858 IGBT模块
3225贴片晶振 元器件百科 3225贴片晶振工作原理计算机都有个计时电路,尽管一般使用“时钟”这个词来表示这些设备,但它们实际上并不是通常意义的时钟,把它们称为计时器(timer)可能更恰当一点。计算机的计时器通常是一个精密加工过的石英晶体,石英晶体在其张力限度内以一定的频率振荡,这种频率取决于晶体本身如何切割及其受到张力的大小。有两个寄存器与每个石英晶体相关联,一个计数器(counter)和一个保持寄存器(holdingr 芯城品牌采购网 2025-11-04 25693 贴片晶振
FPGA 元器件百科 FPGA概述单片机可以理解为集成在单一芯片上的微型计算机系统,麻雀虽小可是五脏俱全,也有运算器、控制器、存储器、总线及输入输出设备,采用也是存储程序执行的方式,对单片机的编程就是对其中的ROM写入程序,在加电后ROM中的程序会像计算机内存中的程序一样得到逐条的执行。当今的单片机还集成了A/D、D/A转换,并串口等多种与外界进行数据交换的手段。单片机计算速度和性能有限,但在一些基本控制上搓绰绰有余。 芯城品牌采购网 2025-11-04 25665 FPGA
IGBT 元器件百科 IGBT结构下图所示为一个N沟道增强型绝缘栅双极晶体管结构,N+区称为源区,附于其上的电极称为源极。P+区称为漏区。器件的控制区为栅区,附于其上的电极称为栅极。沟道在紧靠栅区边界形成。在漏、源之间的P型区(包括P+和P一区)(沟道在该区域形成),称为亚沟道区(Subchannelregion)。而在漏区另一侧的P+区称为漏注入区(Draininjector),它是IGBT特有的功能区,与漏区和亚沟 芯城品牌采购网 2025-11-04 31929 IGBT
315m无线发射接收模块 元器件百科 315m无线发射接收模块参数介绍静态电流:≤0.1UA发射电流:2~10MA工作电压:DC3~12V数据发射模块的工作频率为315M,采用声表谐振器SAW稳频,频率稳定度极高,当环境温度在-25~+85度之间变化时,频飘仅为3ppm/度。特别适合多发一收无线遥控及数据传输系统。声表谐振器的频率稳定度仅次于晶体,而一般的LC振荡器频率稳定度及一致性较差,即使采用高品质微调电容,温差变化及振动也很难保 芯城品牌采购网 2025-11-04 27539 无线发射接收模块
FRAM 元器件百科 FRAM优势与传统存储器相比,FRAM具有下列优势:非易失性即使没有上电,也可以保存所存储的信息。与SRAM相比,无需后备电池(环保产品)更高速度写入像SRAM一样,可覆盖写入不要求改写命令对于擦/写操作,无等待时间写入循环时间=读取循环时间写入时间:E2PROM的1/30,000具有更高的读写耐久性确保最大1012次循环(100万亿循环)/位的耐久力耐久性:超过100万次的E2PROM具有更低的 芯城品牌采购网 2025-11-04 22158 FRAM
32768晶振 元器件百科 32768晶振参数种类:晶振标称频率:供应贴片晶振32768(MHz)MHz调整频差:供应贴片晶振32768(MHz)MHz温度频差:供应贴片晶振32768(MHz)MHz总频差:供应贴片晶振32768(MHz)MHz负载电容:20(pF)pF负载谐振电阻:60(Ω)Ω激励电平:1(mW)mW基准温度:-40-85(℃)℃插入损耗:1(dB)dB阻带衰减:1(dB)dB输入阻抗:1(kΩ)kΩ输出 芯城品牌采购网 2025-11-04 30134 32768晶振
EDGE 元器件百科 EDGE概述随着移动数据业务快速发展,现有的通用分组无线业务(GPRS)网络已无法满足日益增长的高速数据通信的要求,加之中国3G牌照发放时间迟迟不能确定,使增强型数据速率GSM演进(EDGE)技术得到越来越多的关注。国内GSM运营商也开始部署EDGE网络,并将其视为3G建网前夜对数据业务有效补充的主要手段。文章就目前EDGE发展现状及存在问题,结合实例进行分析,为后期EDGE大规模商用和网络平滑升 芯城品牌采购网 2025-11-04 26443
无源电阻 元器件百科 无源电阻简介无源电阻是指电路中不需要外部电源或信号源来控制电阻值的电阻器件。它是电子电路中常见的被动元件之一,通常用于限制电流、分压、滤波等应用。根据无源电阻的材料和结构,可以将其分为金属膜电阻和炭层电阻。金属膜电阻是在绝缘基板上涂覆一层金属膜,通过切割或蚀刻的方式形成电阻器件。炭层电阻是在绝缘基板上涂覆一层炭层,通过烧结或蚀刻的方式形成电阻器件。无源电阻具有稳定性高、频率响应宽、尺寸小、成本低廉 芯城品牌采购网 2025-11-04 31479 电阻
32.768KHZ晶振 元器件百科 32.768KHZ晶振简介32.768KHZ是一个很有意义的数字,我们每天都要用到它,它给我们带来太多的好处。只是生活中太少有人去关注了,只关注着它给我们带来的演变数字。32.768khz比较容易分频以便于产生1秒的时钟频率,因为32.768KHZ等于2的15次方。我们每天用的手表、手机、电脑上显示作用的钟就是由它演变过来的。32.768KHZ是一个标准的频率,晶振频率的应用主要有以下几个方面的参 芯城品牌采购网 2025-11-04 25597 晶振
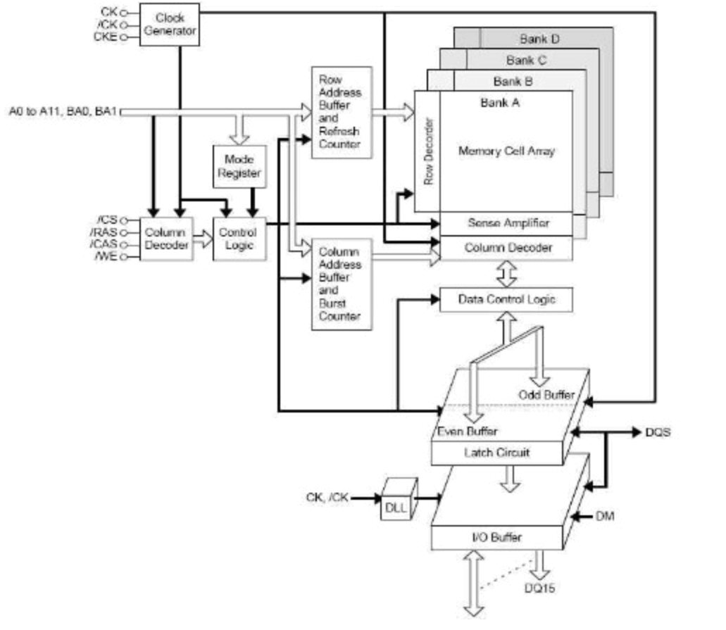
DDRSDRAM 元器件百科 DDRSDRAM简介DDR内存是更先进的SDRAM。SDRAM只在时钟周期的上升沿传输指令、地址和数据。而DDR内存的数据线有特殊的电路,可以让它在时钟的上、下沿都传输数据。所以DDR在每个时钟周期可以传输两个数据,而SDRAM只能传输一个数据。举例来说,DDR266能提供266MHz×2×4B=2.1GB/s的内存带宽。另外,由于它是基于SDRAM的设计制造技术,因此厂房、流水线等设备的更新成本 芯城品牌采购网 2025-11-04 27929 DDRSDRAM
卧式投影仪 元器件百科 卧式投影仪原理卧式投影仪主要用来对复杂形状工件进行测量,如成型刀具、样板、仪表零件、凸轮、电子元件的轮廓形状和表面尺寸等。应用光切法(见表面粗糙度测量)测量的投影仪还可测量汽轮机叶片等的剖面几何形状。卧式投影仪一般采用透射式光学投影系统,但也有带有反射式光学投影系统的。前者主要用于测量薄工件的轮廓尺寸;后者主要用于测量工件端面上的形状和尺寸等。投影仪除了有光学投影系统外,还有类似工具显微镜那样的坐 芯城品牌采购网 2025-11-04 29583 投影仪
4-20mA信号编码器 元器件百科 4-20mA信号编码器特点编码器系列BEN编码器4-20mA信号具有非常优秀的抗冲击性和抗震性,防护等级高达IP67。机械上安装有多种法兰可以满足客户不同需求。电气输出接口有4~20mA和RS485自由协议供选择软件设定地址,对应值,0-360度对应4-20mA无死区多用途、多功能直接对应单圈角度、长度,转动平移速度测量。方向设定;外部置位功能;线设定预设位置,安装方便。无需找零,内部有BESM5 芯城品牌采购网 2025-11-04 30315 信号编码器